我们重视您的隐私!
为了使我们的网站以最佳方式工作,我们希望使用cookies。一些cookies是网站运行所必需的,还有一些改进了用户体验,对于哪些我们需要您自愿的,随时可撤销的同意。收集的任何数据都是匿名的。有关这方面的更多信息,请参阅我们的隐私政策。
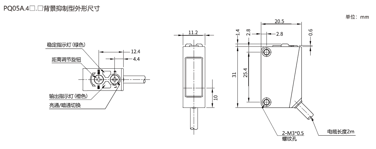
通用小方型外形设计
对射型最远30m;镜面反射型最远7m;漫反射型最远1.7m
背景抑制型:2...50mm,2...80mm,2...100mm;2...300mm,2...450mm
红光、蓝光光源
抗干扰能力强
小光点、普通光点和条形光斑可选
漫反射和背景抑制型具备距离设定按钮
外形尺寸




接线图
