X

我们重视您的隐私!

为了使我们的网站以最佳方式工作,我们希望使用cookies。一些cookies是网站运行所必需的,还有一些改进了用户体验,对于哪些我们需要您自愿的,随时可撤销的同意。收集的任何数据都是匿名的。有关这方面的更多信息,请参阅我们的隐私政策。

产品
FD-EHB

FD-EHB

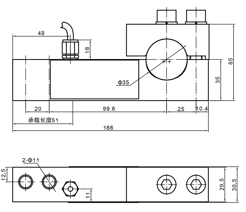
FD-EHB悬臂梁式重力传感器,主要应用对象为纺织机械、包装机械等。

如需详细产品选型,请联系我们 返回
功能及特点

额定载荷为100Kg

灵敏度2.0±0.002mV/V

额定励磁电压10...12VDC

最大励磁电压15VDC

输入阻抗400±10Ω

输出阻抗352±2Ω

绝缘电阻≥5000MΩ

基本参数
额定载荷100Kg
额定输出2.0±0.002mV/V
综合精度±0.03%F.S
蠕变(30 分钟)±0.05%F.S
零点平衡±1%F.S
零点温度影响±0.02%F.S/10℃
输出温度影响±0.02%F.S/10℃
安全负载150%F.S
破坏负载200%F.S
电气参数
额定励磁电压10…12VDC
最大励磁电压15VDC
输入阻抗400±10Ω
输出阻抗352±2Ω
绝缘电阻≥5000MΩ
机械参数
材料合金钢
电缆长度可定制
环境条件
额定温度﹣10…+40℃
工作温度﹣30…+70℃
防护等级IP67

外形尺寸


EHB悬臂梁尺寸图.png



接线图


接线图.jpg


样本
使用手册
CAD/CAE
资质证书