X

我们重视您的隐私!

为了使我们的网站以最佳方式工作,我们希望使用cookies。一些cookies是网站运行所必需的,还有一些改进了用户体验,对于哪些我们需要您自愿的,随时可撤销的同意。收集的任何数据都是匿名的。有关这方面的更多信息,请参阅我们的隐私政策。

产品
FD-LFB

FD-LFB

FD-LFB激光测距采用TOF测距原理,专门用于对固定或移动的物体进行距离测量,最远测距40m。
型号示例:FD-LFB05CS2.*

如需详细产品选型,请联系我们 返回
功能及特点

测量距离5m/10m/20m/40m可选

使用可见激光束,易于瞄准被测物

精度高至1.5mm

开关量输出,支持485通讯

全金属外壳,坚固耐用

体积小巧,安装便捷

LED中文数显,清晰明了

基本参数
检测距离30…5000mm;30…10000mm;30…20000mm;
30…40000mm
测量精度±1.0%F.S...±1.5%F.S.
重复精度±1.5mm;±1.5mm;±2mm;±2.5mm
响应频率5…20Hz
光束直径约5mm
光源红色激光2类,最大输出1mW,波长620…650nm
电气参数
电源电压12…24V DC
消耗电流100mA以下
输出类别PNP / NPN 可选
输出方式双开关量,RS485应答式数字量
通讯方式RS485(Modbus-RTU)
短路保护配备(自动恢复型)
机械参数
电缆外径5mm6芯复合电缆2m,线缆长度可定制
材料外壳:铝铸件
重量约35g(不含电缆),约85g(含电缆)
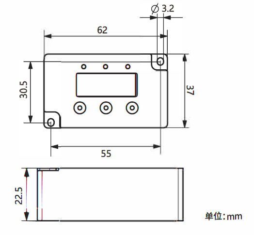
产品尺寸62*37*23mm
环境条件
使用环境温度﹣10…+40℃(注意不可结露、结冰)
使用环境湿度35%...85%RH(无凝结)
使用环境照度白炽灯:3000lux 以下
外壳防护IP65

外形尺寸


FD-LFB尺寸图.png



接线图


LFB接线图.png


样本
使用手册
CAD/CAE
资质证书