X

我们重视您的隐私!

为了使我们的网站以最佳方式工作,我们希望使用cookies。一些cookies是网站运行所必需的,还有一些改进了用户体验,对于哪些我们需要您自愿的,随时可撤销的同意。收集的任何数据都是匿名的。有关这方面的更多信息,请参阅我们的隐私政策。

产品
PA240

PA240

PA240直装法兰压力变送器,用来测量表压,主要应用在流程工业环境中,如水处理环保、石油、化工、铸造、有色金属等行业。

如需详细产品选型,请联系我们 返回
功能及特点

最大量程可达3MPa,具备更好的稳定性

采用高精度单晶硅压力传感器,最小测量范围10KPa

垂直法兰安装

双膜片过载保护功能

输出信号电流/通讯可选

显示表头可355°旋转

抗强冲击、强振动、强腐蚀

基本参数
压力类型表压
量程范围10KPa…3MPa可选
精度等级传感器:±0.065%量程上限;整机:±0.2%量程上限
阻尼时间电子线路部件阻尼时间:0…100s可调(默认值0)
隔离膜片阻尼时间:≤0.2s
断电后重启时间≤6s
电气参数
供电电源4…20mA:10.5…55VDC
4…20mA+HART:16.5…55VDC
功耗<500mW,24VDC,20.8mA
输出信号4…20mA ; 4…20mA+HART
绝缘电阻≥20MΩ,100VDC
EMC兼容性IEC61000-4-2/3/4/5/6/8
机械参数
隔离膜片材质可选不锈钢316L,哈氏合金C-276,钽膜片,衬四氟
隔离填充液硅油或惰性填充液
接线盒材质铝合金
过程连接螺纹/316L
密封方式焊接
重量约4.4Kg(含DN50法兰)
安装支架附件可选
环境条件
耐振动<0.1%量程上限,GB/T1827.3/IEC612983-3
使用温度不带显示:-40…85℃;带显示:-20…70℃
存储温度不带显示:-40…110℃;带显示:-40…85℃
环境湿度5…100%RH
防护等级IP67
防爆等级ExdIICT6

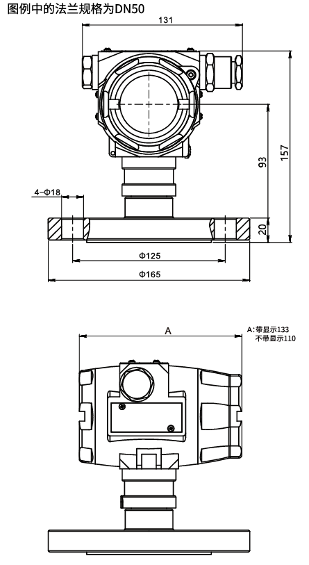
外形尺寸


PA240尺寸图.png

PA240法兰规格.png



样本
使用手册
CAD/CAE
资质证书