X

我们重视您的隐私!

为了使我们的网站以最佳方式工作,我们希望使用cookies。一些cookies是网站运行所必需的,还有一些改进了用户体验,对于哪些我们需要您自愿的,随时可撤销的同意。收集的任何数据都是匿名的。有关这方面的更多信息,请参阅我们的隐私政策。

产品
PG04B.U15

PG04B.U15

PG04B.U15槽型光电开关,主要应用于流水线生产、自动化包装、半导体制造、生产计数等场景。

如需详细产品选型,请联系我们 返回
功能及特点

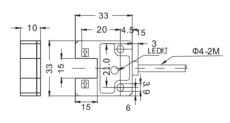
槽宽15mm

标准检测物0.8*2.2mm以上的不透明物体

电缆型

抗干扰能力强

动差距离小,可检测微小段差

高度集成的芯片,确保长使用寿命

基本参数
种类U
检测距离15mm(槽宽)
标准检测物0.8*2.2mm以上的不透明物体
重复精度0.5mm以下
指示灯橙色指示灯,检测到物体时灯灭,无物体时灯亮
响应频率1KHz
光源红外光
电气参数
工作电压5…24VDC±10%
输出模式PNP或NPN集电极开路
开关模式L.on(入光动作)/ D.on(遮光动作)可切换
残留电压1.5VDC以下(负载电流100mA,导线2m时)
消耗电流<25mA
保护电路浪涌保护,反极性保护
机械参数
连接方式Φ4.0*2m / 4线
材质ABS + PC
环境条件
工作环境温度工作时﹣25…+55℃;保存时﹣30…+80℃(无结冰)
工作环境湿度工作时5…85%RH;保存时5…95%RH,无凝结
环境光照度受光面照度 白炽灯:1000Lux以下
耐电压AC,1000V1分钟,所有电源连接端子与外壳之间
耐震动10Hz…2000Hz双振幅1.5mm(最大加速度196m/s2
XYZ各方向2小时
绝缘电阻所有电源连接端子与外壳之间,20MΩ以上
(基于DC250V)
防护等级IP67

外形尺寸


PG04B.U15尺寸图.jpg


接线图


接线图.jpg




样本
使用手册
CAD/CAE
资质证书