X

我们重视您的隐私!

为了使我们的网站以最佳方式工作,我们希望使用cookies。一些cookies是网站运行所必需的,还有一些改进了用户体验,对于哪些我们需要您自愿的,随时可撤销的同意。收集的任何数据都是匿名的。有关这方面的更多信息,请参阅我们的隐私政策。

产品
FD100.20-58X21

FD100.20-58X21

FD100.20-58X21绝对值型空心轴编码器,可用在伺服电机领域、电梯领域、工业机器人领域、工业自动化控制生产线领域等。

如需详细产品选型,请联系我们 返回
功能及特点

绝对值型空心轴编码器,单圈和多圈可选

通用外形尺寸的高性能型编码器,外径尺寸为58mm

信号输出方式为CANopen输出

分辨率可达32位

短路保护,过压保护

基本参数
外径58mm
轴套直径6mm,8mm,10mm,12mm
最高转速12000转
最大轴负载——
启动转矩<3Ncm
转动惯量<30gcm2
电气参数
电源电压10…30VDC
输出信号CANopen
输出形式RS485
输出代码二进制/格雷码
工作电流<350mA
最大分辨率单圈 15位(32768)
圈数 15位(32768)
输出频率20KBit…1MBit/s
计数方向可编程设置
零位预置可编程设置
电气接口接线式:专用CANopen电缆及2×0.3mm²电源线
连接器:M12 (5针) +M12 (5孔) +M8 (4针)
机械参数
法兰类型——
材料外壳:铝合金;法兰:铝;轴套:不锈钢
重量约520g
抗振动IEC 68-2-6;100m/s² 10…2000HZ
抗冲击IEC 68-2-27;200m/s² 3ms
环境条件
工作温度﹣40…+80℃
储存温度﹣40…+85℃
防护等级IP54 / IP65

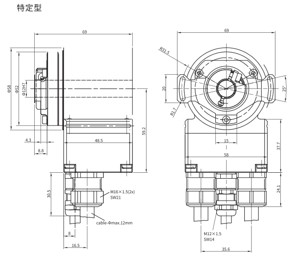
外形尺寸


FD100.20-58X21尺寸图1.jpg


FD100.20-58X21尺寸图2.jpg



接线图


                                                  常规型

FD100.20-58X21常规接线图.jpg


                                                 特定型

FD100.20-58X21特定型接线图.jpg



样本
使用手册
CAD/CAE
资质证书