X

我们重视您的隐私!

为了使我们的网站以最佳方式工作,我们希望使用cookies。一些cookies是网站运行所必需的,还有一些改进了用户体验,对于哪些我们需要您自愿的,随时可撤销的同意。收集的任何数据都是匿名的。有关这方面的更多信息,请参阅我们的隐私政策。

产品
FD100.10A-38X0

FD100.10A-38X0

FD100.10A-38X0增量型实心轴编码器,可用在伺服电机领域、电梯领域、工业机器人领域、工业自动化控制生产线领域等。

如需详细产品选型,请联系我们 返回
功能及特点

小型编码器,38mm外径

增量型实心轴编码器

输出脉冲数常规时可达3600

信号输出方式为推挽输出或RS422

采用金属码盘,可承受更高强度负载

短路保护

基本参数
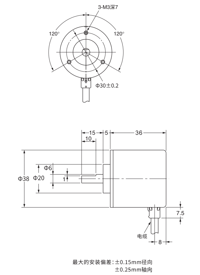
外径38mm
轴径6mm
最高转速5000转
最大轴负载轴向 / 径向:20N / 30N
启动转矩<1Ncm
转动惯量<3gcm2
电气参数
电源电压5…30VDC
输出信号5…30VDC:推挽
工作电流推挽:30mA
分辨率50,60,100,200,300,360,400,500
600,800,1000,1024,1200,1500,1800,
2000,2048,2500
输出频率最大100KHz
电气接口电缆连接:5×0.08mm²,0.5m
机械参数
法兰类型夹紧法兰
材料外壳:铝合金;法兰:铝;轴:不锈钢
重量约160g
抗振动IEC 68-2-6;100m/s² 10…2000HZ
抗冲击IEC 68-2-27;110m/s² 3ms
环境条件
工作温度﹣10…+70℃
储存温度﹣25…+85℃
防护等级IP50

外形尺寸


FD100.10A-38X0尺寸图.jpg


接线图


FD100.10A-38X0接线图.jpg



样本
使用手册
CAD/CAE
资质证书